Lukisan:

Profil Syarikat
CoreSun - Pemandu Slewing Praktikal & Promosi Bearing Slewing.
Kami komited untuk menyelidik, membangun dan menerapkan produk kelengkapan transmisi berkualiti tinggi dan tepat. Produk profesional dan berkualiti tinggi kami juga akan digunakan sebagai penyelesaian yang mantap pada platform kerja udara, kren trak, merangkul kayu, rig penggerudian, peralatan semburan, kenderaan modul hidraulik, talian pemasangan automatik, sistem yaw angin, dan lain-lain.

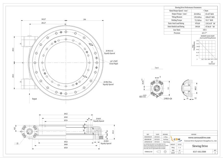
Parameter Prestasi Pemandu S17 Slewing
Model | SC17 | Tempat asal | Changzhou, China |
Jenama | Coresun Drive | Taipkan | Dilampirkan |
Bahan | 42CrMo, 50Mn | Output Torque | 10 kN.m |
Tilting Moment Torque | 135.6 kN.m | Memegang Tork | 72.3 kN.m |
Penilaian Akedik Statik | 970 KN | Penilaian Radial Statik | 390 KN |
Nisbah gear | 104: 1 | Kecekapan | 40% |
Permohonan

Lori Perlombongan Pasir

1. Teknologi Pembuatan Profesional
2. Pengalaman yang Kaya Dalam Penyelidikan Dan Pembangunan Proses
3. Kerja Pasukan Kecekapan Tinggi
4. Tarikh Penyerahan Sebenar
5. Jaminan Kualiti Yang Boleh Diandalkan Dan Reputasi
6. Sistem Perkhidmatan Selepas Sempurna
Cool tags: 17 inci gear pengurangan kren trak, China, pengeluar, pembekal, disesuaikan

